+375 (29) 691-53-65 +375 (17) 307-21-01 +375 (17) 352-26-80 +375 (17) 353-75-54
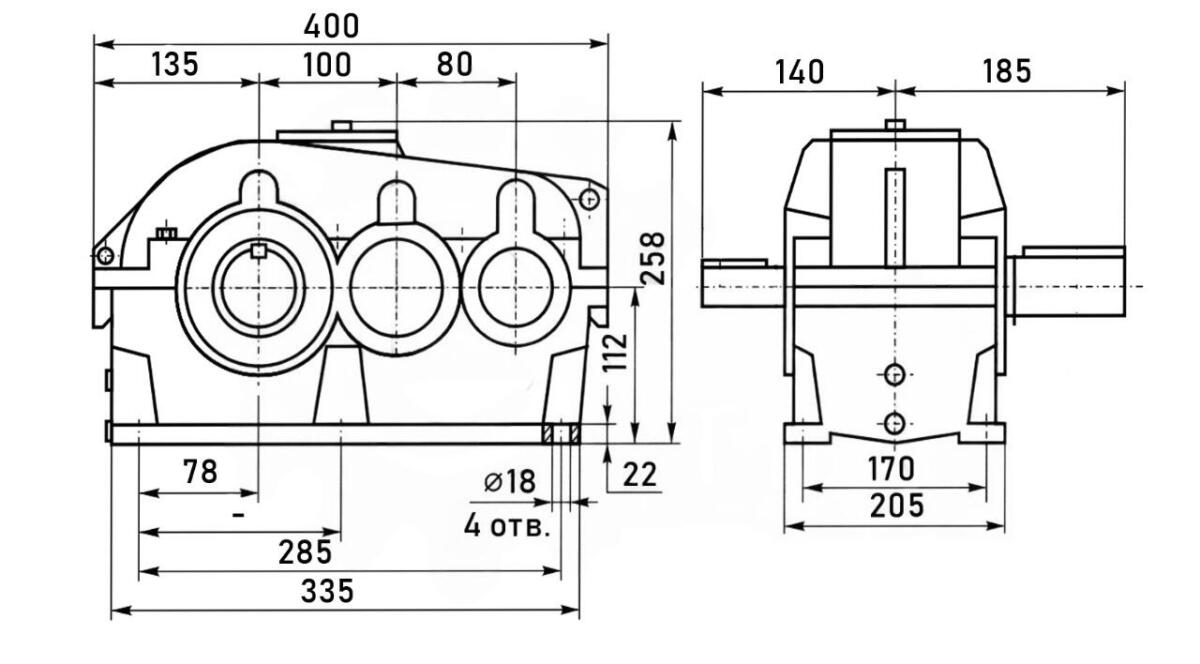
Редуктор 2Ц2-100Н цилиндрический
Цену уточняйте
Цилиндрический двухступенчатый редуктор с зацеплением Новикова. Передаточные отношения 6,3 — 40. Номинальный крутящий момент 475 — 630 Н*м
Цилиндрический двухступенчатый редуктор с зацеплением Новикова 2Ц2-100Н
Передаточные отношения 6,3 — 40. Номинальный крутящий момент 475 — 630 Н*м

Технические характеристики редуктора 2Ц2-100Н
| Типоразмер редуктора | 2Ц2-100Н | |||||||||
| Номинальное передаточное отношение, i | 6,3 | 8,0 | 10,0 | 12,5 | 16,0 | 20,0 | 25,0 | 31,5 | 40,0 | |
| Номинальный крутящий момент на тихоходном валу, Т, Н*м | 475 | 600 | 630 | 600 | 560 | |||||
| Номинальная частота вращения быстроходного вала, с-1 (об/мин) | 25 (1500) | |||||||||
| Номинальная радиальная консольная нагрузка, приложенная в середине посадочной поверхности выходного конца вала, Н
|
быстроходного | 710 | 630 | 560 | 530 | 450 | 250 | 224 | 190 | |
| тихоходного | 5300 | 6000 | 6300 | 6000 | ||||||
| Масса, кг | 43 | |||||||||
| Ориентировочный объем масла, л | 2,5 | |||||||||
Примечание:
1. Редуктор 2Ц2-100Н схем сборок 31, 32, 33, 34, 35, 36 с i = 20; 25; 31,5; 40 не изготавливается.
2. Редуктор 2Ц2-100Н с передаточными отношениями 25,0; 31,5; 40,0 с полым тихоходным валом не изготавливается.
Концы валов редуктора 2Ц2-100Н
Размеры цилиндрических валов редуктора 2Ц2-100Н

| Модель | i | d | t | b | l |
| входного вала | |||||
| 2Ц2-100Н | 6,3-40 | 20k6 | 22.5 | 6 | 36 |
| выходного вала | |||||
| 2Ц2-100Н | 50k6 | 54.5 | 14 | 82 | |
Размеры конических концов валов редуктора 2Ц2-100Н

| Модель | d | d1 | l | l1 | b | L | t |
| Входного вала | |||||||
| 2Ц2-100Н | 20k6 | 18.2 | 50 | 36 | 4 | 154 | 19.7 |
| Выходного вала | |||||||
| 2Ц2-100Н | 50k6 | 45.9 | 110 | 82 | 12 | 213 | 48.9 |
Размеры конца тихоходного вала редуктора 2Ц2-100Н в виде зубчатой полумуфты

| Модель | m | z | D | d | d1 | B | b | k | L |
| 2Ц2-100Н | 4 | 40 | 168 | 72F8 | 85 | 38 | 20 | 19 | 166 |
Тихоходный полый вал редуктора 2Ц2-100Н со шпоночным пазом
| Тип | L | l1 | l2 | l3 | d | d1H7 | bjs9 | t |
| 2Ц2-100Н | 206 | 100 | 30 | 23 | 50 | 45 | 14 | 48.8 |
Конец тихоходного вала редуктора 2Ц2-100Н для подключения автоматики

| Тип | d1 | d2 | d3 | d4 | l |
| 2Ц2-100Н | 50h10 | 24h8 | 14 | М6 | 5 |
Редуктор 2Ц2-100Н — пример обозначения и варианты сборки








