+375 (29) 691-53-65 +375 (17) 307-21-01 +375 (17) 352-26-80 +375 (17) 353-75-54
Редуктор ЦТНД-400 цилиндрический
Цену уточняйте
Вертикальный цилиндрический трехступенчатый редуктор с зацеплением Новикова. Номинальные передаточные отношения 63 — 160. Номинальный крутящий момент 17 000 Н*м
Вертикальный цилиндрический трехступенчатый редуктор с зацеплением Новикова ЦТНД-400
Номинальные передаточные отношения 63 — 160. Номинальный крутящий момент 17 000 Н*м
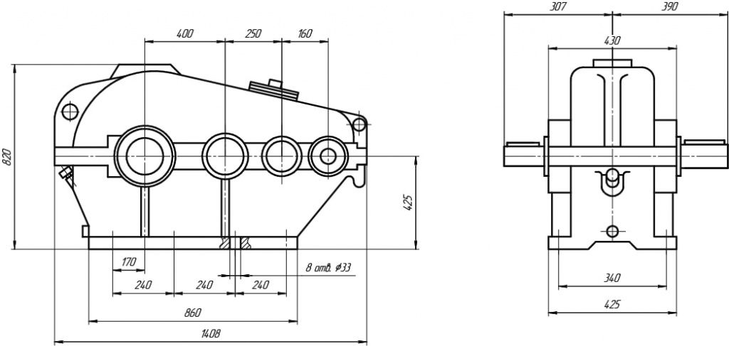
Габаритные и присоединительные размеры

Технические характеристики редуктора ЦТНД-400
| Типоразмер | ЦТНД-400 |
| Номинальное передаточное отношение, i | 63, 80, 100, 125, 160 |
| Номинальный крутящий момент на тихоходном валу, Т, Н*м | 17 000 |
| Номинальная частота вращения быстроходного вала, с-1 (об/мин) | 12,5 (750); 16,6 (1000); 25 (1500) |
| Номинальная радиальная консольная нагрузка, приложенная в середине посадочной поверхности конца тихоходного вала, Н | 32 600 |
| Масса, кг | 940 |
| Ориентировочный объем масла, л | 40 |
Концы валов редуктора ЦТНД-400
Входной цилиндрический вал

Выходной цилиндрический вал

Редуктор ЦТНД-400 — пример обозначения и варианты сборки

- Модель редуктора, число ступеней-3.
- Габарит редуктора. (Н- зацепление Новикова)
- Передаточное число
- Вариант сборки
Варианты сборки






