+375 (29) 691-53-65 +375 (17) 307-21-01 +375 (17) 352-26-80 +375 (17) 353-75-54
Редуктор 1Ц2У-160 цилиндрический
Цену уточняйте
Редуктор цилиндрический двухступенчатый 1Ц2У-160 (Ц2У-160)
Редуктор общепромышленного назначения, двухступенчатый. Номинальный крутящий момент – 1250 Н*м. Передаточные числа от 8 до 40.
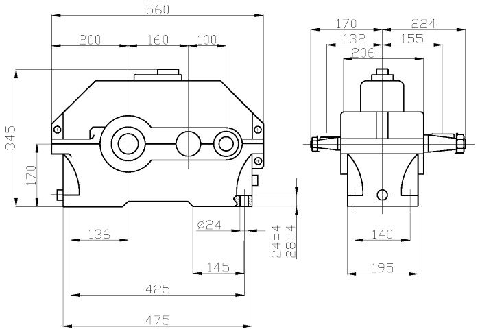
Габаритные и присоединительные размеры

Технические характеристики редуктора 1Ц2У-160
| Параметр | Типоразмер | ||
| 1Ц2У-160 | |||
| Передаточные числа | Группа 1 | 10; 20; 31,5; 40 | |
| Группа 2 | 8;12,5; 16; 25 | ||
| Фактические передаточные числа | Группа 1 | 10,32; 20,64; 32,55; 40,32 | |
| Группа 2 | 8; 12,6; 16,0; 25,2 | ||
| Номинальный крутящий момент на выходном валу при длительной работе с постоянной нагрузкой, Н*м | непрерывный (Н) ПВ=100% | 1250 | |
| Допускаемый крутящий момент на выходном валу при работе редуктора на повторно-кратковременных режимах, Н*м | тяжелый (Т) ПВ=40% | 1600 | |
| средний (С) ПВ=25% | 2000 | ||
| легкий (Л) ПВ=15% | 2500 | ||
| Допускаемая радиальная консольная нагрузка быстроходного вала, Н | непрерывный (Н) ПВ=100% | 1000 | |
| тяжелый (Т) ПВ=40% | 1150 | ||
| средний (С) ПВ=25% | 1280 | ||
| легкий (Л) ПВ=15% | 1450 | ||
| Допускаемая радиальная консольная нагрузка тихоходного вала, Н | непрерывный (Н) ПВ=100% | 9000 | |
| тяжелый (Т) ПВ=40% | 10000 | ||
| средний (С) ПВ=25% | 11200 | ||
| легкий (Л) ПВ=15% | 12500 | ||
| Коэффициент полезного действия, не менее, % | 97 | ||
| Масса редуктора, не более, кг | в чугунном корпусе | 95 | |
| в алюминиевом корпусе | 57 | ||
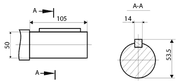
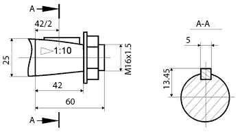
Концы валов редуктора 1Ц2У-160
Входной цилиндрический вал

Выходной цилиндрический вал

Входной конический вал

Выходной конический вал

Муфтовый выходной вал

Варианты сборки редуктора 1Ц2У-160

Пример записи условного обозначения редуктора 1Ц2У-160
Редуктор 1Ц2У-160-20-12ККУ2 ТУ2-056-243-86
- 1Ц2У — редуктор цилиндрический двухступенчатый
- 160 — межосевое расстояние, мм
- 20 — номинальное передаточное число
- 12 — вариант сборки
- К — конический конец тихоходного вала
- К – Конический конец быстроходного вала
- У — климатическое исполнение
- 2 — категория размещения






