+375 (29) 691-53-65 +375 (17) 307-21-01 +375 (17) 352-26-80 +375 (17) 353-75-54
Редуктор ЦДНД-200 цилиндрический
Цену уточняйте
Вертикальный цилиндрический двухступенчатый редуктор с зацеплением Новикова. Номинальные передаточные отношения 12,5 — 40. Номинальный крутящий момент – 2 100 Н*м
Вертикальный цилиндрический двухступенчатый редуктор ЦДНД-200 с зацеплением Новикова
Номинальные передаточные отношения 12,5 — 40. Номинальный крутящий момент – 2 100 Н*м
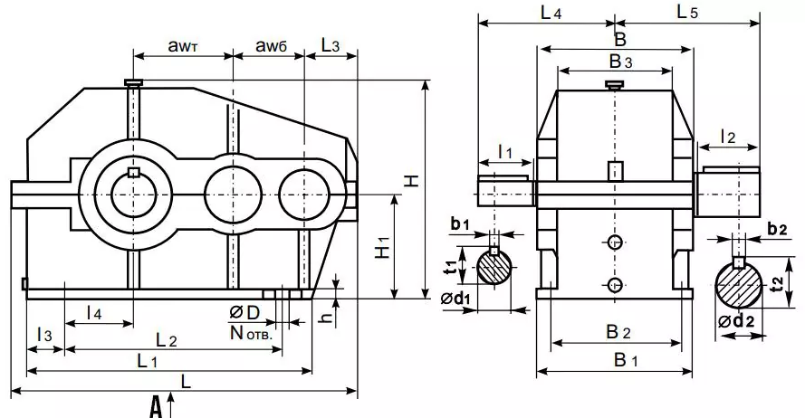
Габаритные и присоединительные размеры

| awб | awт | B | B1 | B2 | B3 | H | H1 | h | L | L1 | L2 | L3 | L4 | L5 |
| 125 | 200 | 250 | 245 | 200 | 140 | 412 | 212 | 25 | 685 | 440 | 310 | 115 | 198 | 227 |
| l0 | l1 | l2 | l3 | l4 | D | N | d1 | d2 | t1 | t2 | b1 | b2 |
| – | 60 | 80 | 90 | 60 | 22 | 4 | 40 | 65 | 43 | 69 | 12 | 18 |
Технические характеристики редуктора ЦДНД-200
| Типоразмер | ЦДНД-200 |
| Номинальное передаточное отношение, i | 12,5; 20; 31,5; 40 |
| Номинальный крутящий момент на тихоходном валу, Т, Н*м | 2 100 |
| Номинальная частота вращения быстроходного вала, с-1 (об/мин) | 12,5 (750); 16,6 (1000); 25 (1500) |
| Номинальная радиальная консольная нагрузка, приложенная в середине посадочной поверхности конца тихоходного вала, Н | 11 200 |
| Масса, кг | 155 |
| Ориентировочный объем масла, л | 4 |
Редуктор ЦДНД-200 — пример обозначения и варианты сборки
Пример записи условного обозначения: ЦДНД-200-40-12-У2
- ЦДНД – Тип редуктора;
- 200 – Межосевое расстояние второй ступени;
- 40 – Номинальное передаточное число;
- 12 – Вариант сборки;
- У2 – Климатическое исполнение и категория размещения.






