+375 (29) 691-53-65 +375 (17) 307-21-01 +375 (17) 352-26-80 +375 (17) 353-75-54
Редуктор Ц2У-315К цилиндрический
Цену уточняйте
Цилиндрический двухступенчатый картерный редуктор. Передаточные числа от 8 до 50. Передаваемый крутящий момент 7 500 — 8 100 Н*м
Редуктор цилиндрический двухступенчатый картерный Ц2У-315К
Цилиндрический двухступенчатый картерный редуктор. Передаточные числа от 8 до 50. Передаваемый крутящий момент 7 500 — 8 100 Н*м
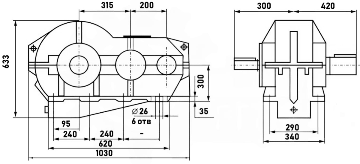
Габаритные и присоединительные размеры

Технические характеристики редуктора Ц2У-315К
| Типоразмер редуктора | Ц2У-315К | ||||||||||||
| Номинальное передаточное отношение, i | 8,0 | 10,0 | 12,5 | 16,0 | 20,0 | 25,0 | 31,5 | 40,0 | 50,0 | ||||
| Фактическое передаточное отношение | 8,11 | 10,36 | 12.86 | 16,42 | 20,26 | 25 | 31,92 | 38,64 | 49,34 | ||||
| Номинальный крутящий момент на тихоходном валу, Т, кН*м | 8 | 8,1 | 7,7 | 7,8 | 7,9 | 7,6 | 7,5 | ||||||
| Номинальная частота вращения быстроходного вала, с-1 (об/мин) | 25 (1500) | ||||||||||||
| Номинальная радиальная консольная нагрузка, приложенная в середине посадочной поверхности выходного конца вала, Н | Быстроходного | 4000 | 2000 | ||||||||||
| тихоходного
|
цилиндрический конец | 22400 | |||||||||||
| конец вала в виде части зубчатой п/м | 26800
|
||||||||||||
| Объем заливаемого масла | 30 | ||||||||||||
| Масса, кг | 510 | ||||||||||||
Концы валов редуктора Ц2У-315К
Размеры цилиндрических валов редуктора Ц2У-315К

Размеры конических концов валов редуктора Ц2У-315К

| d | d1 | l | l1 | b | L | t | |
| Размеры входного вала | 50 | 45,8 | 110 | 82 | 112 | 300 | 48.9 |
| Размеры выходного вала | 110 | 101.75 | 210 | 165 | 25 | 420 | 106,75 |
Размеры конца тихоходного вала редуктора Ц2У-315К в виде зубчатой полумуфты

| m | z | d | d1 | d2 | l | b | k | B |
| 6 | 40 | 140 | 110 | 130 | 275 | 30 | 25 | 65 |
Размеры конца выходного вала редуктора Ц2У-315К для подключения приборов и автоматики

| d | d1 | L |
| 110 | 75 | 200 |
Выходной вал с паразитной шестерней

| Типоразмер | m | z | d | d1 | d2 | l | b | k | B |
| Ц2У-315К…П | 6 | 40 | 140 | 110 | 130 | 275 | 30 | 25 | 65 |
| Ц2У-315К…П | 4 | 56 | 140 | 120 | 162 | 270 | 35 | 27,5 | 50 |
| Типоразмер | m | m1 | Z1 | Z2 | I1 | b1 | aw | H |
| Ц2У-315К…П | 6 | 4 | 40 | 60 | 195 | 15 | 200 | 248 |
| Ц2У-315К…П | 4 | 4 | 40 | 60 | 195 | 15 | 200 | 248 |
Редуктор Ц2У-315К — пример обозначения и варианты сборки








