+375 (29) 691-53-65 +375 (17) 307-21-01 +375 (17) 352-26-80 +375 (17) 353-75-54
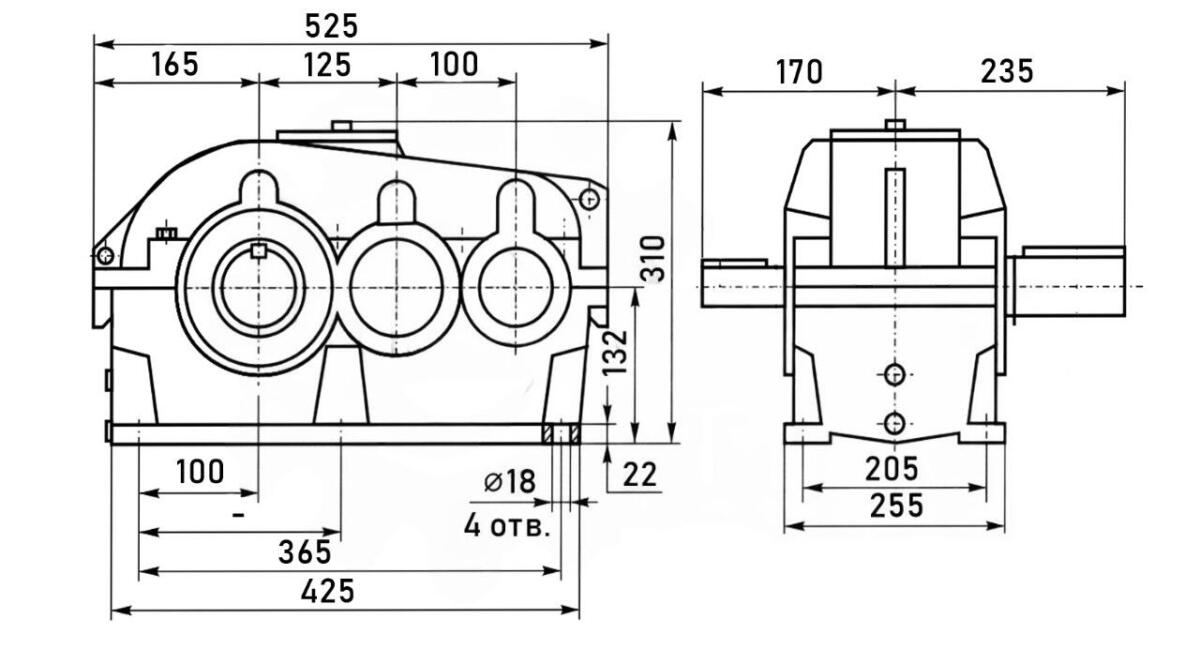
Редуктор 2Ц2-125Н цилиндрический
Цену уточняйте
Цилиндрический двухступенчатый редуктор с зацеплением Новикова. Передаточные отношения 6,3 — 31,5. Номинальный крутящий момент 1200 — 1250 Н*м
Цилиндрический двухступенчатый редуктор с зацеплением Новикова 2Ц2-125Н
Передаточные отношения 6,3 — 31,5. Номинальный крутящий момент 1200 — 1250 Н*м

Технические характеристики редуктора 2Ц2-125Н
| Типоразмер редуктора | 2Ц2-125Н | ||||||||
| Номинальное передаточное отношение, i | 6,3 | 8,0 | 10,0 | 12,5 | 16,0 | 20,0 | 25,0 | 31,5 | |
| Номинальный крутящий момент на тихоходном валу, Т, Н*м | 1200 | 1250 | |||||||
| Номинальная частота вращения быстроходного вала, с-1 (об/мин) | 25 (1500) | ||||||||
| Номинальная радиальная консольная нагрузка, приложенная в середине посадочной поверхности выходного конца вала, Н
|
быстроходного | 1120 | 1000 | 900 | 800 | 710 | 670 | 560 | 530 |
| тихоходного | 8500 | 9000 | |||||||
| Масса, кг | 89 | ||||||||
| Ориентировочный объем масла, л | 4,9 | ||||||||
Примечание: Редуктор 2Ц2-125Н с передаточными отношениями 25,0 и 31,5 с полым тихоходным валом не изготавливается.
Концы валов редуктора 2Ц2-125Н
Размеры цилиндрических валов редуктора 2Ц2-125Н

| Модель | i | d | t | b | l |
| входного вала | |||||
| 2Ц2-125Н | 6,3-31.5 | 28k6 | 31 | 8 | 42 |
| выходного вала | |||||
| 2Ц2-125Н | 65m6 | 71 | 18 | 105 | |
Размеры конических концов валов редуктора 2Ц2-125Н

| Модель | d | d1 | L | l1 | b | L | T |
| Входного вала | |||||||
| 2Ц2-125Н | 28k6 | 25.9 | 60 | 42 | 5 | 188 | 31.9 |
| Выходного вала | |||||||
| 2Ц2-125Н | 65m6 | 61.5 | 140 | 105 | 16 | 270 | 65.5 |
Размеры конца тихоходного вала редуктора 2Ц2-125Н в виде зубчатой полумуфты

| Модель | m | z | D | d | d1 | B | b | k | L |
| 2Ц2-125Н | 4 | 40 | 168 | 72F8 | 85 | 38 | 20 | 19 | 166 |
Тихоходный полый вал редуктора 2Ц2-125Н со шпоночным пазом
| Тип | L | l1 | l2 | l3 | d | d1H7 | bjs9 | t |
| 2Ц2-125Н | 245 | 125 | 40 | 20 | 60 | 55 | 16 | 59,3 |
Конец тихоходного вала редуктора 2Ц2-125Н для подключения автоматики

| Тип | d1 | d2 | d3 | d4 | l |
| 2Ц2-125Н | 65h10 | 24h8 | 14 | М6 | 5 |
Редуктор 2Ц2-125Н — пример обозначения и варианты сборки








