+375 (29) 691-53-65 +375 (17) 307-21-01 +375 (17) 352-26-80 +375 (17) 353-75-54
Редуктор РЦД-350 цилиндрический
Цену уточняйте
Редуктор цилиндрический двухступенчатый. Номинальный крутящий момент при среднем режиме работы 1900 — 2340 Н*м. Передаточные числа от 10 до 40.
Редуктор цилиндрический двухступенчатый РЦД-350
Номинальный крутящий момент при среднем режиме работы 1900 — 2340 Н*м. Передаточные числа от 10 до 40.
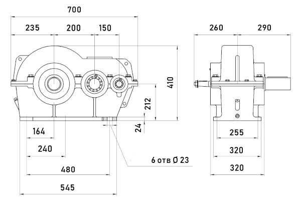
Габаритные и присоединительные размеры

Технические характеристики редуктора РЦД-350
| Типоразмер редуктора | РЦД-350 | |||||||
| Номинальное передаточное отношение | 10,0 | 16,0 | 20,0 | 25,0 | 31,5 | 40,0 | ||
| Номинальный крутящий момент на тихоходном валу, Т, Н*м | режим работы | Средний (С), ПВ 25% | 1900 | 2340 | 2230 | 2120 | 2000 | |
| Тяжелый (Т), ПВ 40% | 1350 | 1530 | 1560 | 1640 | 1620 | |||
| Непрерывный (Н), ПВ 100% | 1200 | 1140 | 1080 | 1020 | ||||
| Номинальная частота вращения быстроходного вала, с-1 (об/мин) | 25 (1500) | |||||||
| Номинальная радиальная консольная нагрузка, приложенная в середине посадочной части быстроходного вала Fб, Н | 1800 | |||||||
| Номинальная радиальная консольная нагрузка, приложенная в середине посадочной части тихоходного вала Fт, Н | 10000 | |||||||
| Масса, кг | 175 | |||||||
| Ориентировочный объем масла, л | 5,5 | |||||||
Примечание: Редуктор РЦД-350 с вариантами сборки 16 и 26, с концом вала в виде части зубчатой муфты не изготавливается.
| Передаточное число | 10 | 16 | 20 | 25 | 31,5 | 40 | Консольно-радиальная нагрузка, Н | ||
| об/мин на входе | Условия работы | Крутящий момент на выходе Нм | Консольная нагрузка на входе кН | Консольная нагрузка на выходе кН | |||||
| РЦД-350 | |||||||||
| 500
|
С | 2339 | 2339 | 2229 | 2119 | 2119 | 1999 | 3199 | 17999 |
| Т | 1799 | 2029 | 2019 | 2019 | 2099 | 1999 | 2799 | 1759 | |
| Св | 1509 | 1719 | 1709 | 1719 | 1799 | 1799 | 2799 | 13399 | |
| Н | 1199 | 1199 | 1139 | 1079 | 1079 | 1019 | 1799 | 9999 | |
| 700
|
С | 2339 | 2339 | 2229 | 2119 | 2119 | 1999 | 3199 | 17999 |
| Т | 1649 | 1849 | 1869 | 1869 | 1979 | 1939 | 2799 | 1759 | |
| Св | 1399 | 1559 | 1569 | 1589 | 1689 | 1659 | 2799 | 13399 | |
| Н | 1199 | 1199 | 1139 | 1079 | 1079 | 1019 | 1799 | 9999 | |
| 1000
|
С | 2329 | 2339 | 2229 | 2119 | 2119 | 1999 | 3199 | 17999 |
| Т | 1509 | 1699 | 1709 | 1689 | 1809 | 1809 | 2799 | 1759 | |
| Св | 1279 | 1439 | 1429 | 1429 | 1529 | 1529 | 2799 | 13399 | |
| Н | 1199 | 1199 | 1139 | 1079 | 1079 | 1019 | 1799 | 9999 | |
| 1500
|
С | 1899 | 2339 | 2229 | 2119 | 2119 | 1999 | 3199 | 17999 |
| Т | 1349 | 1529 | 1529 | 1559 | 1639 | 1619 | 2799 | 1759 | |
| Св | 1199 | 1299 | 1299 | 1319 | 1379 | 1379 | 2799 | 13399 | |
| Н | 1199 | 1199 | 1139 | 1079 | 1079 | 1019 | 1799 | 9999 | |
С – средний; Т – тяжелый; Св – сверхтяжелый; Н – непрерывный.
Концы валов редуктора РЦД-350
Входной конический вал

| d | d1 | d3 | d4 | l | l1 | b | h | t |
| 35 | 32,1 | M20x1.5 | 50 | 80 | 58 | 10 (6) | 6 | 3.5 |
Выходной цилиндрический вал

| L | d | b | t |
| 105 | 65m6 | 18 | 71 |
Тихоходный вал в виде зубчатой муфты

| b | L | L1 | k | В | d F7 | d1 f9 | m | z |
| 25 | 50 | 15 | 22 | 45 | 90 | 110 | 3 | 48 |
Редуктор РЦД-350 — пример обозначения и варианты сборки
Пример обозначения:
РЦД-350-25-12М-У1, где:
- РЦД — Тип редуктора;
- 350 — Межосевое расстояние второй ступени;
- 25 — Номинальное передаточное число;
- 12 — Вариант сборки;
- КЦ – конический быстроходный, цилиндрический тихоходный вал;
- У1 — Климатическое исполнение и категория размещения.
Варианты сборки







