+375 (29) 691-53-65 +375 (17) 307-21-01 +375 (17) 352-26-80 +375 (17) 353-75-54
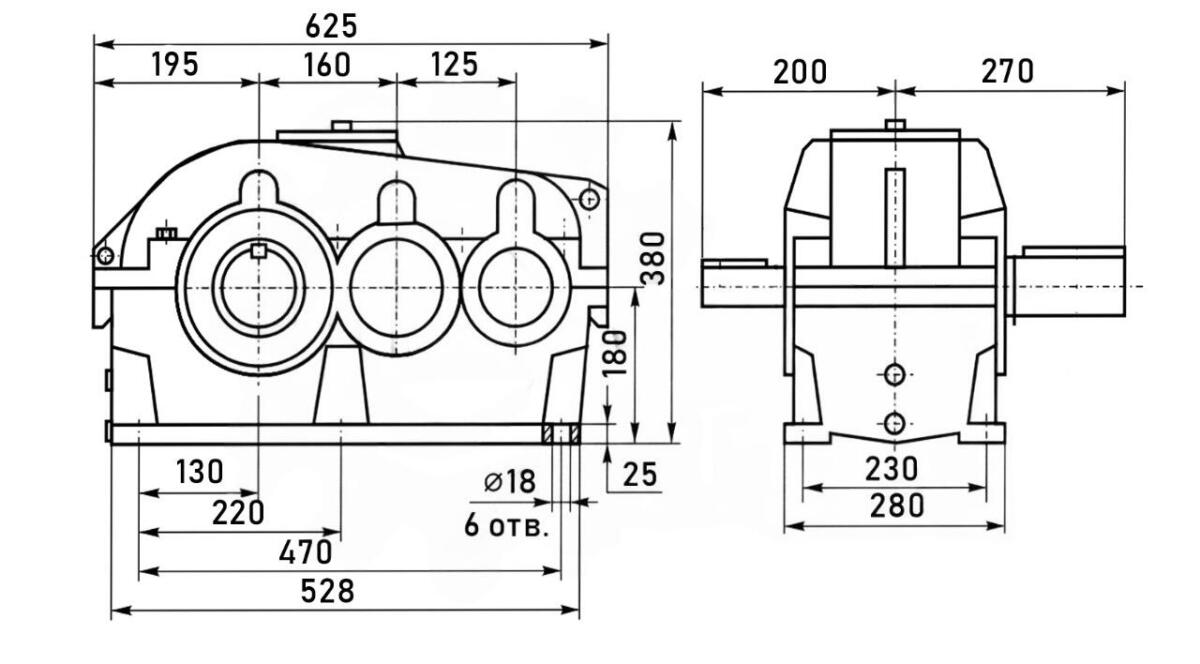
Редуктор 2Ц2-160Н цилиндрический
Цену уточняйте
Цилиндрический двухступенчатый редуктор с зацеплением Новикова. Передаточные отношения 6,3 — 31,5. Номинальный крутящий момент 2000 Н*м
Цилиндрический двухступенчатый редуктор с зацеплением Новикова 2Ц2-160Н
Передаточные отношения 6,3 — 31,5. Номинальный крутящий момент 2000 Н*м

Технические характеристики редуктора 2Ц2-160Н
| Типоразмер редуктора | 2Ц2-160Н | ||||||||
| Номинальное передаточное отношение, i | 6,3 | 8,0 | 10,0 | 12,5 | 16,0 | 20,0 | 25,0 | 31,5 | |
| Номинальный крутящий момент на тихоходном валу, Т, Н*м | 2000 | ||||||||
| Номинальная частота вращения быстроходного вала, с-1 (об/мин) | 25 (1500) | ||||||||
| Номинальная радиальная консольная нагрузка, приложенная в середине посадочной поверхности выходного конца вала, Н
|
быстроходного | 1140 | 2000 | 1786 | 1600 | 1400 | 1260 | 1130 | 1000 |
| тихоходного | 11000 | ||||||||
| Масса, кг | 135 | ||||||||
| Ориентировочный объем масла, л | 9,1 | ||||||||
Примечание: Редуктор 2Ц2-160Н с передаточным отношением 31,5 с полым тихоходным валом не изготавливается.
Концы валов редуктора 2Ц2-160Н
Размеры цилиндрических валов редуктора 2Ц2-160Н

| i | d | t | b | l | |
| Входного вала | |||||
| 2Ц2-160Н | 6,3-31,5 | 38k6 | 41.5 | 10 | 58 |
| выходного вала | |||||
| 2Ц2-160Н | 85m6 | 93 | 22 | 130 | |
Размеры конических концов валов редуктора 2Ц2-160Н

| Модель | d | d1 | l | l1 | b | L | t |
| Входного вала | |||||||
| 2Ц2-160Н | 38k6 | 35,1 | 80 | 58 | 6 | 222 | 37,6 |
| Выходного вала | |||||||
| 2Ц2-160Н | 85m6 | 78,5 | 170 | 130 | 20 | 310 | 83 |
Размеры конца тихоходного вала редуктора 2Ц2-160Н в виде зубчатой полумуфты

| Модель | m | z | D | d | d1 | B | b | k | L |
| 2Ц2-160Н | 4 | 56 | 232 | 120F8 | 150 | 50 | 35 | 31,5 | 193,5 |
Тихоходный полый вал редуктора 2Ц2-160Н со шпоночным пазом
| Тип | L | l1 | l2 | l3 | d | d1H7 | bjs9 | t |
| 2Ц2-160Н | 270 | 130 | 40 | 30 | 75 | 70 | 20 | 74,9 |
Тихоходный полый вал редуктора 2Ц2-160Н с шлицами

| Тип | L | l1 | l2 | d | d1 |
| 2Ц2-160Н | 270 | 90 | 90 | 70H10 | 70×2,5x9H |
Конец тихоходного вала редуктора 2Ц2-100Н для подключения автоматики

| Тип | d1 | d2 | d3 | d4 | l |
| 2Ц2-160Н | 85h10 | 75h8 | 55 | М8 | 5 |
Редуктор 2Ц2-160Н — пример обозначения и варианты сборки








