+375 (29) 691-53-65 +375 (17) 307-21-01 +375 (17) 352-26-80 +375 (17) 353-75-54
Редуктор ВК-800 крановый
Цену уточняйте
Редуктор вертикальный крановый трехступенчатый. Передаточные отношения 18 — 150. Номинальный крутящий момент на тихоходном валу при среднем режиме работы 18 000 Н*м
Редуктор вертикальный крановый трехступенчатый ВК-800
Передаточные отношения 18 — 150. Номинальный крутящий момент на тихоходном валу при среднем режиме работы 18 000 Н*м
Технические характеристики редуктора ВК-800
| Типоразмер | ВК-800 | |||||||
| Номинальное передаточное отношение | 18 | 22,4 | 31,5 | 50 | 150 | |||
| Номинальный крутящий момент на тихоходном валу, Т, Н х м | Режим работы | Тяжелый (ПВ 40%) | 16000 | |||||
| Средний (ПВ 25%) | 18000 | |||||||
| Легкий (ПВ 15%) | 26000 | |||||||
| Номинальная частота вращения быстроходного вала, об/мин | 1500 | |||||||
| Номинальная радиальная консольная нагрузка, приложенная в середине посадочной поверхности выходного конца вала, Н | быстроходного F1 | 3700 | 3300 | 2800 | 2200 | 820 | ||
| тихоходного F2 | 31000 | |||||||
| Номинальная передаваемая мощность, кВт (при ПВ 40%) | 144 | 116 | 82 | 52 | 17 | |||
| Масса, кг | 860 | |||||||
| Ориентировочный объем масла, л | 15 | |||||||
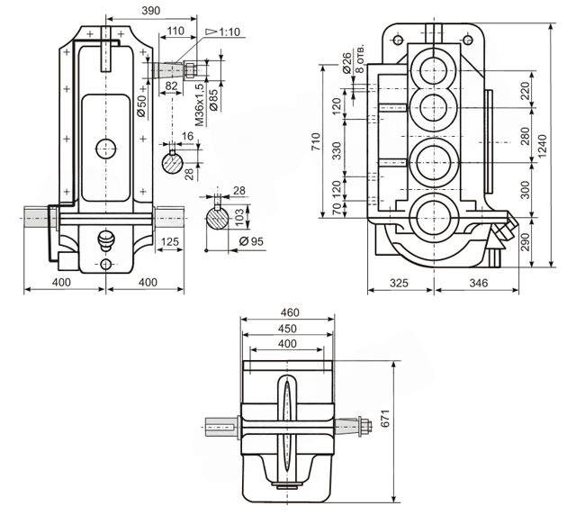
Габаритные и присоединительные размеры редуктора ВК-800

Редуктор ВК-800 — варианты сборки

Пример условного обозначения редуктора
Редуктор ВК-800-50-13КвхЦвых-У3
- редуктор типа ВК
- с суммарным межосевым расстоянием 800 мм
- номинальным передаточным отношением 50
- вариантом сборки 13
- с коническим концом быстроходного вала Квх
- с цилиндрическим концом тихоходного вала Цвых
- климатическим исполнением У
- категорией размещения 3






