+375 (29) 691-53-65 +375 (17) 307-21-01 +375 (17) 352-26-80 +375 (17) 353-75-54
Редуктор ЦДНД-400 цилиндрический
Цену уточняйте
Вертикальный цилиндрический двухступенчатый редуктор с зацеплением Новикова. Номинальные передаточные отношения 12,5 — 40. Номинальный крутящий момент – 14 000 Н*м
Вертикальный цилиндрический двухступенчатый редуктор ЦДНД-400 с зацеплением Новикова
Номинальные передаточные отношения 12,5 — 40. Номинальный крутящий момент – 14 000 Н*м
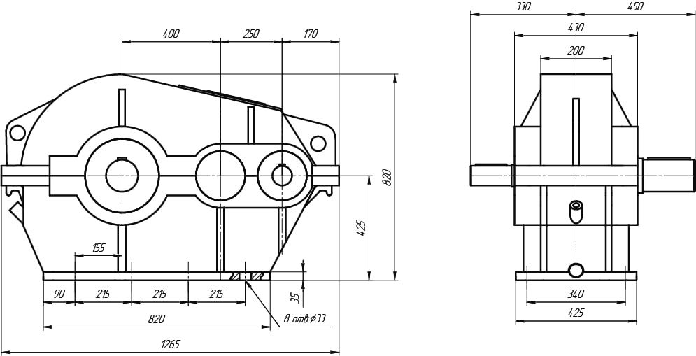
Габаритные и присоединительные размеры

Технические характеристики редуктора ЦДНД-400
| Типоразмер | ЦДНД-400 |
| Номинальное передаточное отношение, i | 12,5; 20; 31,5; 40 |
| Номинальный крутящий момент на тихоходном валу, Т, Н*м | 14000 |
| Номинальная частота вращения быстроходного вала, с-1 (об/мин) | 12,5 (750); 16,6 (1000); 25 (1500) |
| Номинальная радиальная консольная нагрузка, приложенная в середине посадочной поверхности конца тихоходного вала, Н | 50000 |
| Масса, кг | 865 |
| Ориентировочный объем масла, л | 30 |
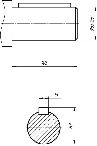
Концы валов редуктора ЦДНД-400
Размеры цилиндрического входного вала редуктора ЦДНД-400

Размеры цилиндрического выходного вала редуктора ЦДНД-400

Редуктор ЦДНД-400 — пример обозначения и варианты сборки
Пример записи условного обозначения: ЦДНД-400-40-12-У2
- ЦДНД – Тип редуктора;
- 400 – Межосевое расстояние второй ступени;
- 40 – Номинальное передаточное число;
- 12 – Вариант сборки;
- У2 – Климатическое исполнение и категория размещения.







