+375 (29) 691-53-65 +375 (17) 307-21-01 +375 (17) 352-26-80 +375 (17) 353-75-54
Редуктор 5Ч-100 червячный
Цену уточняйте
Редуктор червячный одноступенчатый. Возможные передаточные числа 8 — 110. Номинальный крутящий момент 380 — 577 Н*м.
Редуктор червячный одноступенчатый 5Ч-100
Возможные передаточные числа 8 — 110. Номинальный крутящий момент 380 — 577 Н*м.
Технические характеристики червячного редуктора 5Ч100
| Передаточное число, ном. | 8 | 10 | 12,5 | 16 | 20 | 25 | 31,5 | 40 | 50 | 63 | 80 | 100 | 110 | |
| Частота вращения входного вала, об/мин | 1500 | |||||||||||||
| Номинальный крутящий момент на выходном валу, Тном, Н*м | 540 | 525 | 540 | 540 | 525 | 525 | 577 | 540 | 540 | 440 | 420 | 400 | 380 | |
| Подводимая расчетная мощность, кВт | 11 | 8,7 | 7,2 | 5,8 | 4,6 | 3,7 | 3,5 | 2,7 | 2,2 | 1,6 | 1,2 | 1,27 | 1,15 | |
| КПД, % | 92 | 91 | 90 | 88 | 86 | 85 | 79 | 75 | 74 | 66 | 65 | 56 | 47 | |
| Допускаемая радиальная нагрузка, Н | Вх. вал | 650 | 250 | 232 | ||||||||||
| Вых. вал | 6000 | 5000 | 4873 | |||||||||||
| Корректированный уровень звуковой мощности, дБА | 89 | |||||||||||||
| Масса, кг, не более | 43 | |||||||||||||
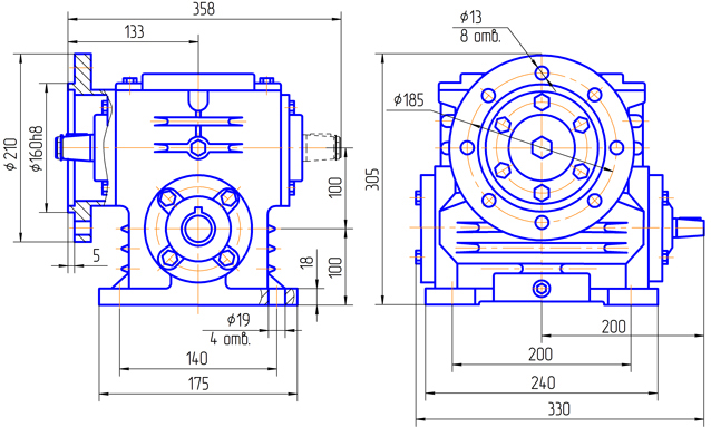
Габаритные и присоединительные размеры
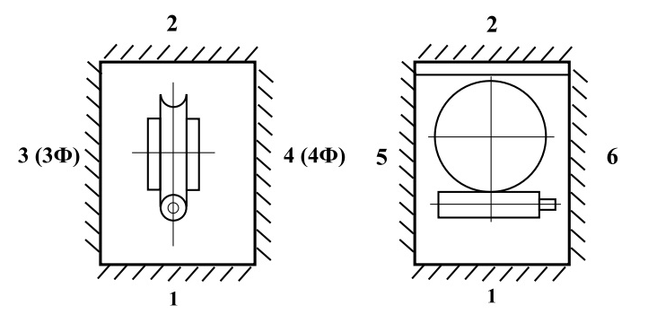
Вариант сборки 52 (51,53,56,61,62,63,66), вариант крепления 1, вариант расположения червячной пары 1

Вариант сборки 51 (52,53,61,62,63,66), вариант крепления 2, вариант расположения червячной пары 1 (лапы и снизу и сверху)

Вариант сборки 51 (возможны все варианты сборок), вариант крепления 3(4), вариант расположения червячной пары 4(3)

Вариант сборки 52 (возможны все варианты сборок), вариант крепления 3Ф(4Ф), вариант расположения червячной пары 1, использование с опорным фланцем

Концы валов редуктора 5Ч-100
Вариант исполнения тихоходного вала

Рис. 1 – исполнение К1
Рис. 2 — исполнение Ц
Рис. 3 — исполнение К
Рис. 4 -вариант сборки 56 (по согласованию с заказчиком – шлицы слева )
Рис. 5 -вариант сборки 56шп (по согласованию с заказчиком – шпонка справа )
Варианты исполнения быстроходного вала

Рис. 1 – обозначение К при заказе
Рис. 2 – обозначение Ц при заказе.
Варианты сборки и расположения червячных пар редуктора 5Ч-100
Расположение червяк под колесом

Варианты крепления


Варианты расположения червячной пары в пространстве

Пример записи условного обозначения редуктора 5Ч-100

- Порядковый номер разработки конструкции
- Редуктор червячный одноступенчатый
- Межосевое расстояние, мм
- Передаточное отношение
- Вариант сборки по ГОСТ 20373, а при варианте сборки 56 со шпоночным пазом — 56 Шп
- Вариант крепления редуктора, а при варианте крепления опорным фланцем — 3Ф, 4Ф
- Вариант расположения червячной пары
- Вариант исполнения конца быстроходного вала (К — конический с внутренней резьбой, К1 — конический с наружной резьбой по ГОСТ 12081, Ц — цилиндрический по ГОСТ 12080)
- Вариант исполнения конца тихоходного вала (К — конический с внутренней резьбой, К1 — конический с наружной резьбой по ГОСТ 12081, Ц — цилиндрический по ГОСТ 12080)
- Категория точности передачи редуктора
- Климатическое исполнение и категория размещения редуктора по ГОСТ 15150-69
- В — исполнение с вентилятором для редукторов 5Ч-80, 5Ч-125, 5Ч-125А.






