+375 (29) 691-53-65 +375 (17) 307-21-01 +375 (17) 352-26-80 +375 (17) 353-75-54
Редуктор 5Ч-80 червячный
Цену уточняйте
Редуктор червячный одноступенчатый. Возможные передаточные числа 8 — 80. Номинальный крутящий момент 240 — 360 Н*м
Редуктор червячный одноступенчатый 5Ч-80
Возможные передаточные числа 8 — 80. Номинальный крутящий момент 240 — 360 Н*м
Технические характеристики червячного редуктора 5Ч80
| Передаточное число номинальное | 8 | 10 | 12,5 | 16 | 20 | 25 | 31,5 | 40 | 50 | 63 | 80 | |
|---|---|---|---|---|---|---|---|---|---|---|---|---|
| Частота вращения входного вала, об/мин | 1500 | |||||||||||
| Номинальный крутящий момент на выходном валу, Тном, Н*м | 290 | 260 | 270 | 300 | 270 | 270 | 260 | 270 | 285 | 260 | 240 | |
| Подводимая расчетная мощность, кВт | 6,0 | 4,3 | 3,6 | 3,3 | 2,4 | 2,0 | 2,2 | 1,4 | 1,2 | 1,0 | 0,7 | |
| КПД, % | 91 | 90 | 89 | 86 | 84 | 83 | 78 | 73 | 71 | 64 | 61 | |
| Допускаемая радиальная нагрузка, Н | Входной вал | 500 | ||||||||||
| Выходной вал | 4200 | |||||||||||
| Корректированный уровень звуковой мощности, дБА | 85 | |||||||||||
| Масса, кг, не более | 30 | |||||||||||
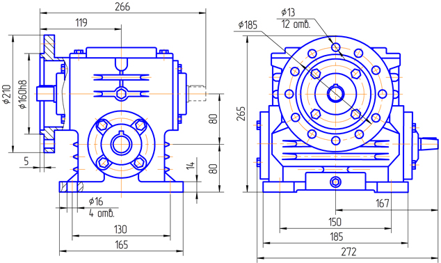
Габаритные и присоединительные размеры
Вариант сборки 51 (52,53,56,61,62,63,66), вариант крепления 1, вариант расположения червячной пары 1

Вариант сборки 56 (51,52,53,61,62,63,66), вариант крепления 2, вариант расположения червячной пары 1

Вариант сборки 51 (возможны все варианты сборок), вариант крепления 3(4), вариант расположения червячной пары 4(3)

Вариант сборки 52 (возможны все варианты сборок), вариант крепления 5, вариант расположения червячной пары 5

Вариант сборки 51 (возможны все варианты сборок), вариант крепления 2(1), вариант расположения червячной пары 1, исполнение с вентилятором

Вариант сборки 51 (возможны все варианты сборок), вариант крепления 3Ф(4Ф), вариант расположения червячной пары 1, исполнение с опорным фланцем

Концы валов редуктора 5Ч-80
Вариант исполнения конца тихоходного вала

Тихоходный полый вал
| Вариант сборки 56
(по согласованию с заказчиком слева) |
Вариант сборки 56Шп
(по согласованию с заказчиком справа) |

Вариант исполнения конца быстроходного вала
К,Ц — обозначения при заказе

Варианты сборки и расположения червячных пар редуктора 5Ч-80
Расположение червяк под колесом

Варианты крепления

Варианты расположения червячной пары в пространстве

Пример записи условного обозначения редуктора 5Ч-80

- Порядковый номер разработки конструкции
- Редуктор червячный одноступенчатый
- Межосевое расстояние, мм
- Передаточное отношение
- Вариант сборки по ГОСТ 20373, а при варианте сборки 56 со шпоночным пазом — 56 Шп
- Вариант крепления редуктора, а при варианте крепления опорным фланцем — 3Ф, 4Ф
- Вариант расположения червячной пары
- Вариант исполнения конца быстроходного вала (К — конический с внутренней резьбой, К1 — конический с наружной резьбой по ГОСТ 12081, Ц — цилиндрический по ГОСТ 12080)
- Вариант исполнения конца тихоходного вала (К — конический с внутренней резьбой, К1 — конический с наружной резьбой по ГОСТ 12081, Ц — цилиндрический по ГОСТ 12080)
- Категория точности передачи редуктора
- Климатическое исполнение и категория размещения редуктора по ГОСТ 15150-69
- В — исполнение с вентилятором для редукторов 5Ч-80, 5Ч-125, 5Ч-125А.





