+375 (29) 691-53-65 +375 (17) 307-21-01 +375 (17) 352-26-80 +375 (17) 353-75-54
Редуктор 3РВ-650 крановый
Цену уточняйте
Редуктор вертикальный крановый трехступенчатый. Передаточные числа 80 — 125. Номинальный крутящий момент при среднем режиме работы 4000 Н*м
Редуктор вертикальный крановый трехступенчатый 3РВ-650
Передаточные числа 80 — 125. Номинальный крутящий момент при среднем режиме работы 4000 Н*м
Технические характеристики редуктора 3РВ-650
| Номинальное передаточное отношение, i | 80; 100; 125 |
| Номинальный крутящий момент на тихоходном валу, Н*м | 4000 |
| Номинальная частота вращения быстроходного вала, с-1 (об/мин) | 100 |
| Коэффициент полезного действия, % | 96 |
| Масса, кг | 450 |
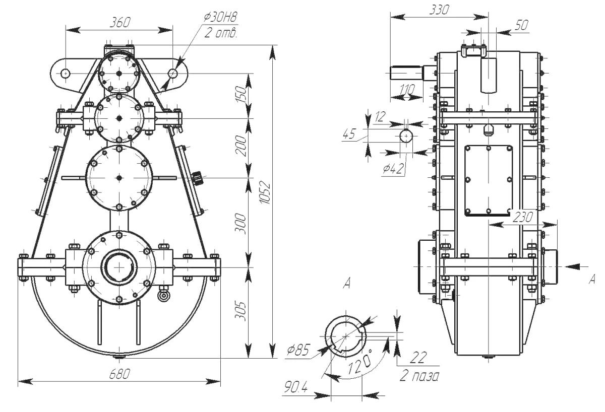
Габаритные и присоединительные размеры редуктора 3РВ-650

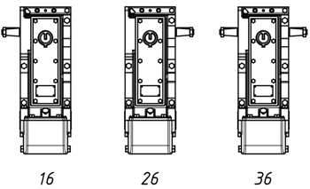
Редуктор 3РВ-650 — варианты сборки

Пример условного обозначения редуктора
3РВ-650-125-16-У1
- 3РВ – Тип редуктора
- 650 – Межосевое расстояние
- 125 – Номинальное передаточное число
- 16 – Вариант сборки
- У1 – Климатическое исполнение и категория размещения






