+375 (29) 691-53-65 +375 (17) 307-21-01 +375 (17) 352-26-80 +375 (17) 353-75-54
Редуктор 1Ц3У-710Н цилиндрический
Цену уточняйте
Вертикальный цилиндрический трехступенчатый редуктор с зацеплением Новикова. Номинальные передаточные отношения 40 — 200. Номинальный крутящий момент 100 000 Н*м
Вертикальный цилиндрический трехступенчатый редуктор с зацеплением Новикова 1Ц3У-710Н (Ц3У-710Н, Ц3Н-710, 1Ц3Н-710)
Номинальные передаточные отношения 40 — 200. Номинальный крутящий момент 100 000 Н*м
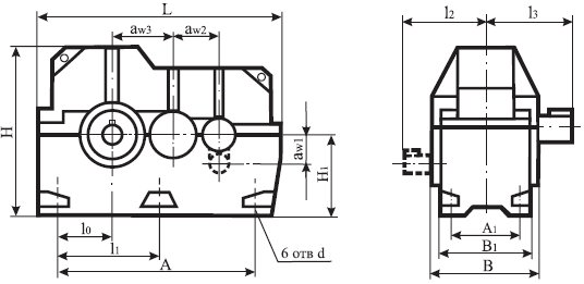
Габаритные и присоединительные размеры

| aw1 | aw2 | aw3 | L | l0 | l1 | l2 | l3 | A | A1 | B | B1 | H | H1 | d |
| 280 | 450 | 710 | 2250 | 667 | 1060 | 620 | 870 | 2010 | 600 | 780 | 740 | 1400 | 710 | 52 |
Технические характеристики редуктора 1Ц3У-710Н
| Типоразмер редуктора | Ц3Н-710 | |||||||||
| Номинальное передаточное отношение, i | 40,0 | 50,0 | 63,0 | 80,0 | 100,0 | 125,0 | 160,0 | 200,0 | ||
| Номинальный крутящий момент на тихоходном валу, Т, Н*м | 100000 | |||||||||
| Номинальная частота вращения быстроходного вала, с-1 (об/мин) | 25 (1500) | |||||||||
| Номинальная радиальная консольная нагрузка, приложенная в середине посадочной поверхности конца вала, Н
|
быстроходного | 6400 | 5700 | 5000 | 4500 | 4000 | 3500 | 3500 | 2800 | |
| тихоходного
|
цилиндрический конец | 79000 | ||||||||
| конец вала в виде части зубчатой полумуфты | 95000 | |||||||||
| Масса, кг | 5020 | |||||||||
| Ориентировочный объем масла, л | 570 | |||||||||
Концы валов редуктора 1Ц3У-710Н
Цилиндрические валы

| Тип | d | t | b | l |
| быстроходного | ||||
| Ц3Н-710 | 90m6 | 95 | 25 | 170 |
| Тихоходного | ||||
| Ц3Н-710 | 250m6 | 262 | 56 | 410 |
Тихоходный вал в виде зубчатой муфты

| m | z | D | dF8 | d1 | B | b | k | L |
| 12 | 40 | 504 | 200 | 290 | 90 | 60 | 50 | 470 |
Конец тихоходного вала для присоединения автоматики

| d1 | d2 | d3 | d4 | l |
| 260h9 | 75h9 | 55 | M8 | 5 |
Редуктор 1Ц3У-710Н — пример обозначения и варианты сборки
Редуктор Ц3Н-710-63-12 М-У3, редуктор цилиндрический (Ц), трехступенчатый (3), с передачами Новикова (Н), межосевым расстоянием тихоходной ступени 710 мм, номинальным передаточным отношением 63, вариантом сборки 12, с концом тихоходного вала в виде зубчатой муфты М, климатическим исполнением У и категорией размещения 3
Варианты сборки основные

Варианты сборки для подключения автоматики






