+375 (29) 691-53-65 +375 (17) 307-21-01 +375 (17) 352-26-80 +375 (17) 353-75-54
Редуктор РЦТ-810 цилиндрический
Цену уточняйте
Редуктор трехступенчатый цилиндрический горизонтальный. Номинальные передаточные числа 45 — 315. Номинальный крутящий момент 12 500 — 16 000 Н*м.
Редуктор трехступенчатый цилиндрический горизонтальный РЦТ-810
Номинальные передаточные числа 45 — 315. Номинальный крутящий момент 12 500 — 16 000 Н*м
Технические характеристики редуктора РЦТ-810
| Типоразмер редуктора | РЦТ-810 | |
| Номинальное передаточное отношение, Uн | 45; 50; 56; 63; 71; 80; 90; 100; 112; 125; 140; 160; 180; 200; 224; 250; 280; 315 | |
| Предельная частота вращения быстроходного вала, об/мин | 1800 | |
| Номинальный крутящий момент на выходном валу, Н·м | при Uн≤125 | 16000 |
| при Uн>125 | 12500 | |
| Консольная нагрузка на конце тихоходного вала РкТ, H | 31500 | |
| Допустимая термическая мощность Ртерм, кВТ | 40 | |
| Объем заливаемого масла, л | 103-113 | |
| КПД | 0,94 | |
| Масса, кг, не более | 1170 | |
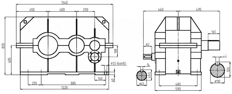
Габаритные и присоединительные размеры

Редуктор РЦТ-810 — варианты сборки
Основные

Для подключения приборов и автоматики







