+375 (29) 691-53-65 +375 (17) 307-21-01 +375 (17) 352-26-80 +375 (17) 353-75-54
Мотор-редуктор 1МЦЧ-63А цилиндрическо-червячный
Цену уточняйте
Мотор-редуктор цилиндрическо-червячный двухступенчатый. Передаточное число 16 — 200. Номинальный крутящий момент 125 — 194
Мотор-редуктор цилиндрическо-червячный двухступенчатый 1МЦЧ-63А
Может служить приводом для различного промышленного оборудования, скорость на выходном валу – от 6 до 90 об/мин при подключению к двигателю 1500 об/мин, при подключении к двигателю 1000 об/мин – от 4 до 60 об/мин, к двигателю 750 об/мин – от 3 до 45 об/мин. Возможна нагрузка постоянная и переменная, однонаправленная и реверсивная, работа с периодическими остановками и в непрерывном режиме.
Технические характеристики мотор-редуктора 1МЦЧ-63А
| Передаточное число номинальное | 16 | 20 | 25 | 31,5 | 40 | 50 | 63 | 80 | 100 | 125 | 160 | 200 | |
| Частота вращения входного вала, об/мин | 1500 | ||||||||||||
| Номинальный крутящий момент на выходном валу, Тном, Н*м | 154 | 146 | 156 | 154 | 155 | 164 | 194 | 189 | 169 | 145 | 150 | 125 | |
| Подводимая расчетная мощность, кВт | 1,73 | 1,3 | 1,15 | 0,92 | 0,75 | 0,66 | 0,66 | 0,51 | 0,4 | 0,29 | 0,25 | 0,19 | |
| КПД, % | 87 | 86 | 85 | 83 | 81 | 77 | 73 | 72 | 66 | 62 | 58 | 52 | |
| Допускаемая радиальная нагрузка, Н | Входной вал | 400 | |||||||||||
| Выходной вал | 2850 | ||||||||||||
| Корректированный уровень звуковой мощности, дБА | — | ||||||||||||
| Масса, кг, не более | — | ||||||||||||
Технические характеристики даны при Кэ=1
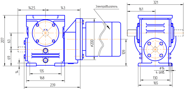
Габаритные и присоединительные размеры
Вариант сборки 51 (52,53,56,61,62,63,66), вариант крепления 1, вариант расположения червячной пары 1

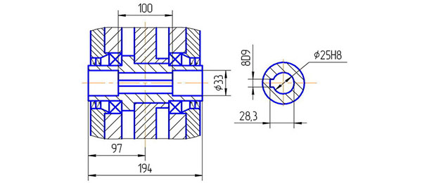
Концы валов мотор-редуктора 1МЦЧ-63А
Вариант исполнения конца тихоходного вала

Ц — обозначения при заказе
Варианты исполнения быстроходного вала
Вариант сборки 56 Шп (шпон. паз в середине)

Варианты сборки (при расположении червячной тихоходной ступени – червяк над колесом)

Варианты крепления

Варианты расположения червячной пары

Пример записи условного обозначения мотор-редуктора 1МЦЧ-63А

- Порядковый номер разработки конструкции
- Мотор-редуктор цилиндрическо-червячный
- Межосевое расстояние тихоходной ступени, мм
- Передаточное отношение
- Вариант сборки 2-й ступени по ГОСТ 20373
- Вариант крепления редуктора
- Вариант расположения червячной пары
- Вариант исполнения конца быстроходного вала (Ц — цилиндрический по ГОСТ 12080)
- Вариант исполнения конца тихоходного вала (К — конический с внутренней резьбой, К1 — конический с наружной резьбой по ГОСТ 12081, Ц — цилиндрический по ГОСТ 12080)
- Категория точности передачи редуктора
- Климатическое исполнение и категория размещения редуктора по ГОСТ 15150-69



