+375 (29) 691-53-65 +375 (17) 307-21-01 +375 (17) 352-26-80 +375 (17) 353-75-54
Шкив поликлиновой TB 16 PL 318
Цену уточняйте
Предлагаем поликлиновой шкив TB 16 PL 318 со втулкой Тапербуш 3020 для ремней с профилем PL
Расчётный диаметр шкива db: 318 мм
Ширина шкива b2: 80 мм
Количество канавок: 16
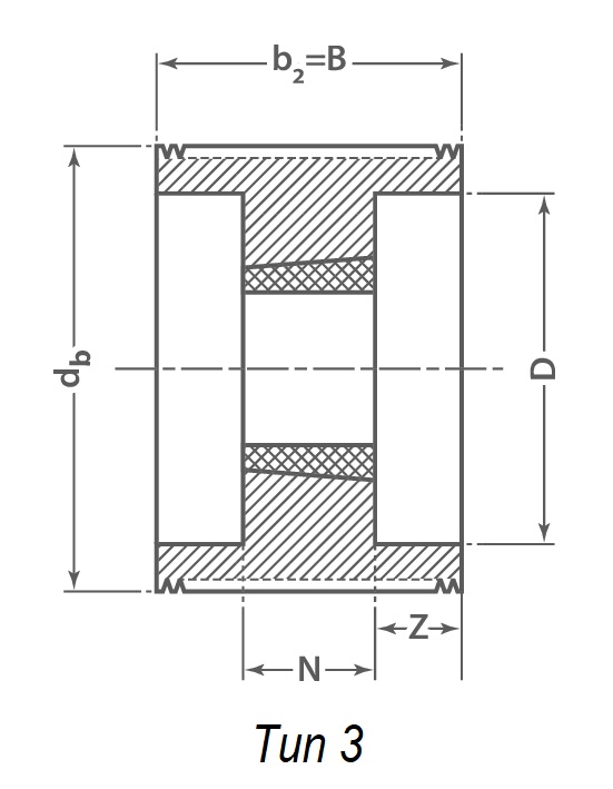
Тип шкива: 3
B: 80 мм
N: 52 мм
D: 130 мм
Тип муфты Тапербуш: 3020
Отверстие втулки d2 минимальное: 25 мм
Отверстие втулки d2 максимальное: 75 мм
Материал: GG — cеpый чуrун
| Профиль | PL |
|---|---|
| Количество ручьев | 16 |
| Расчетный диаметр шкива, мм | 318 |
| Тип ступицы | Под втулку тапербуш |
| Тип муфты тапербуш | 3020 |








