+375 (29) 691-53-65 +375 (17) 307-21-01 +375 (17) 352-26-80 +375 (17) 353-75-54
Редуктор ВКУ-750 крановый
Цену уточняйте
Редуктор крановый вертикальный трехступенчатый. Возможные передаточные отношения 18 — 140. Номинальный крутящий момент при среднем режиме работы 12 200 — 14 900 Н*м.
Редуктор крановый вертикальный трехступенчатый ВКУ-750
Возможные передаточные отношения 18 — 140. Номинальный крутящий момент при среднем режиме работы 12 200 — 14 900 Н*м.
Технические характеристики редуктора ВКУ-750
| Номинальное передаточное отношение, i | 18 | 20 | 22,4 | 25 | 28 | 31,5 | 35,5 | 40 | 45 | 50 | 56 | 63 | 71 | 80 | 90 | 100 | 112 | 125 | 140 | |||
| Номинальный крутящий момент на тихоходном валу, Т, Нxм | Ном. част. вращ. быстроход. вала, с-1 (об/мин) | 16,6 (1000) | ВТ | 7200 | 8300 | 8800 | 9700 | 9900 | ||||||||||||||
| Т | 8500 | 9350 | 9950 | 10180 | 10220 | 11900 | 12550 | |||||||||||||||
| С | 12200 | 13100 | 14500 | 14600 | 14900 | |||||||||||||||||
| Л | 14900 | |||||||||||||||||||||
| 12,5 (750) | ВТ | 8800 | 9240 | 9600 | 9680 | 8800 | 9240 | 9600 | 9680 | 10600 | 11100 | 11000 | ||||||||||
| Т | 10830 | 12540 | 13200 | 14000 | ||||||||||||||||||
| С | 14900 | |||||||||||||||||||||
| Л | ||||||||||||||||||||||
| 10 (600) | ВТ | 9500 | 9680 | 10120 | 9500 | 9680 | 10120 | 11100 | 11550 | |||||||||||||
| Т | 11440 | 12760 | 11440 | 12760 | 14100 | 14600 | ||||||||||||||||
| С | 14900 | |||||||||||||||||||||
| Л | ||||||||||||||||||||||
| Крутящий момент, предельный, кратковременно допустимый на тихоходном валу, Т, Н*м | 25700 | |||||||||||||||||||||
| Масса, кг | 820 | |||||||||||||||||||||
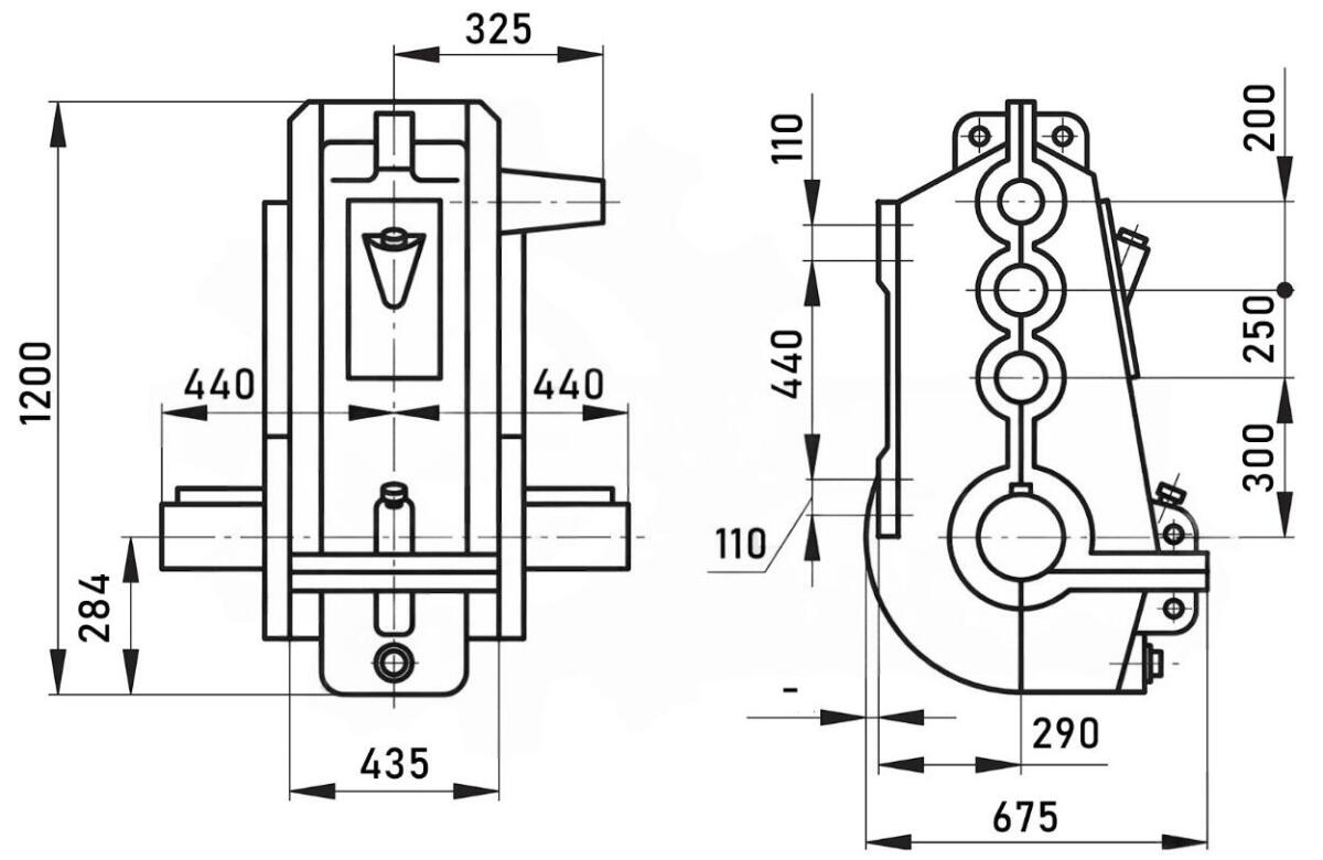
Габаритные и присоединительные размеры редуктора ВКУ-750

Концы валов редуктора ВКУ-750
Быстроходный конический вал

Тихоходный цилиндрический вал

Редуктор ВКУ-750 — варианты сборки

Пример условного обозначения редуктора
ВКУ-750-80-32-Ц-У-2
- ВКУ— серия редуктора;
- 750— межосевое расстояние выходной ступени, (мм);
- 80— передаточное отношение;
- 32— вариант сборки;
- Ц— исполнение конца выходного вала;
- У— климатическое исполнение;
- 2— категория размещения по ГОСТ 15150-69.






