+375 (29) 691-53-65 +375 (17) 307-21-01 +375 (17) 352-26-80 +375 (17) 353-75-54
Редуктор ЦТНД-630 цилиндрический
Цену уточняйте
Вертикальный цилиндрический трехступенчатый редуктор с зацеплением Новикова. Номинальные передаточные отношения 63 — 160. Номинальный крутящий момент 52 000 Н*м
Вертикальный цилиндрический трехступенчатый редуктор с зацеплением Новикова ЦТНД-630
Номинальные передаточные отношения 63 — 160. Номинальный крутящий момент 52 000 Н*м
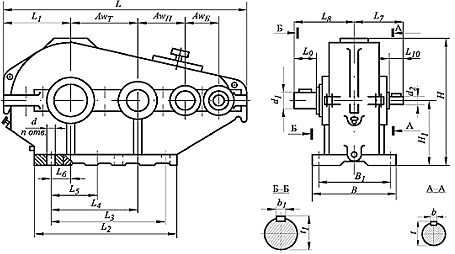
Габаритные и присоединительные размеры

| L | L1 | L2 | L3 | L4 | L5 | L6 | L7 | L8 | L9 | L10 | В |
| 2130 | 665 | 1500 | 1320 | 990 | 660 | 190 | 462 | 680 | 240 | 105 | 690 |
| AwT | AwП | AwБ | B1 | H | H1 | d | d1 | d2 | t | t1 | b | b1 | n |
| 630 | 400 | 250 | 600 | 1235 | 630 | 39 | 170 | 65 | 69 | 179 | 18 | 40 | 10 |
Технические характеристики редуктора ЦТНД-630
| Типоразмер | ЦТНД-630 |
| Номинальное передаточное отношение, i | 63, 80, 100, 125, 160 |
| Номинальный крутящий момент на тихоходном валу, Т, Н*м | 52 000 |
| Номинальная частота вращения быстроходного вала, с-1 (об/мин) | 12,5 (750); 16,6 (1000); 25 (1500) |
| Масса, кг | 2 800 |
| Ориентировочный объем масла, л | 75 |
Редуктор ЦТНД-630 — пример обозначения и варианты сборки

- Модель редуктора, число ступеней-3.
- Габарит редуктора. (Н- зацепление Новикова)
- Передаточное число
- Вариант сборки
Варианты сборки







