+375 (29) 691-53-65 +375 (17) 307-21-01 +375 (17) 352-26-80 +375 (17) 353-75-54
Редуктор 1Ч-160 (Ч-160) червячный
Цену уточняйте
Редуктор червячный одноступенчатый. Возможные передаточные числа 8 — 110. Номинальный крутящий момент 1100 — 2460 Н*м
Редуктор червячный одноступенчатый 1Ч-160 (Ч-160)
Возможные передаточные числа 8 — 110. Номинальный крутящий момент 1100 — 2460 Н*м
Технические характеристики червячного редуктора 1Ч160
|
Передаточное число номинальное
|
8 | 10 | 12,5 | 16 | 20 | 25 | 31,5 | 40 | 50 | 63 | 80 | 100 | 110 | |
|
Частота вращения входного вала, об/мин
|
1500 | |||||||||||||
|
Номинальный крутящий момент на выходном валу, Тном, Н*м
|
1860 | 1760 | 1670 | 2190 | 1860 | 1860 | 2460 | 2080 | 1860 | 1760 | 1480 | 1200 | 1100 | |
|
Подводимая расчетная мощность, кВт
|
37,1 | 28,3 | 21,8 | 22,5 | 15,7 | 12,9 | 14,1 | 9,7 | 7,3 | 5,7 | 3,9 | 3,8 | 3,3 | |
|
КПД, %
|
91 | 90 | 89 | 86 | 84 | 83 | 78 | 73 | 71 | 64 | 61 | 55 | 47 | |
|
Допускаемая радиальная нагрузка, Н
|
Входной вал
|
1200 | 433 | 395 | ||||||||||
|
Выходной вал
|
12150 | 8660 | 8291 | |||||||||||
|
Корректированный уровень звуковой мощности, дБА
|
94 | |||||||||||||
|
Масса, кг, не более
|
120 | |||||||||||||
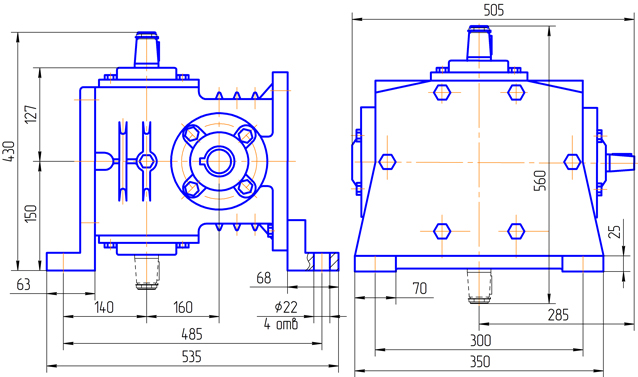
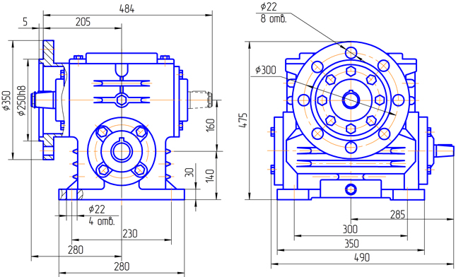
Габаритные и присоединительные размеры
Вариант сборки 52 (51,53,56,61,62,63,66), вариант крепления 1, вариант расположения червячной пары 1

Вариант сборки 51 (52,53,56,61,62,63,66), вариант крепления 2, вариант расположения червячной пары 1

Вариант сборки 51 (возможны все варианты сборок), вариант крепления 3 (4), вариант расположения червячной пары 4 (3)

Вариант сборки 52 (возможны все варианты сборок), вариант крепления 5, вариант расположения червячной пары 5

Вариант сборки 52 (возможны все варианты сборок), вариант крепления 3Ф (4Ф), вариант расположения червячной пары 1, исполнение с опорным фланцем

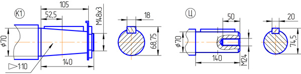
Концы валов редуктора 1Ч-160
Вариант исполнения конца тихоходного вала

Вариант исполнения конца быстроходного вала

К, Ц — обозначения при заказе
Тихоходный полый вал
| Вариант сборки 56 (по согласованию с заказчиком слева) |
Вариант сборки 56Шп (по согласованию с заказчиком справа) |
![]() |
|
Варианты сборки и расположения червячных пар редуктора 1Ч-160
Расположение червяк под колесом

Варианты крепления

Варианты расположения червячной пары в пространстве

Пример записи условного обозначения редуктора 1Ч-160

- Порядковый номер разработки конструкции
- Редуктор червячный одноступенчатый
- Межосевое расстояние, мм
- Передаточное отношение
- Вариант сборки по ГОСТ 20373, а при варианте сборки 56 со шпоночным пазом — 56 Шп
- Вариант крепления редуктора, а при варианте крепления опорным фланцем — 3Ф, 4Ф
- Вариант расположения червячной пары
- Вариант исполнения конца быстроходного вала (К — конический с внутренней резьбой, К1 — конический с наружной резьбой по ГОСТ 12081, Ц — цилиндрический по ГОСТ 12080)
- Вариант исполнения конца тихоходного вала (К — конический с внутренней резьбой, К1 — конический с наружной резьбой по ГОСТ 12081, Ц — цилиндрический по ГОСТ 12080)
- Категория точности передачи редуктора
- Климатическое исполнение и категория размещения редуктора по ГОСТ 15150-69
- В — исполнение с вентилятором для редукторов 5Ч-80, 5Ч-125, 5Ч-125А.






