+375 (29) 691-53-65 +375 (17) 307-21-01 +375 (17) 352-26-80 +375 (17) 353-75-54
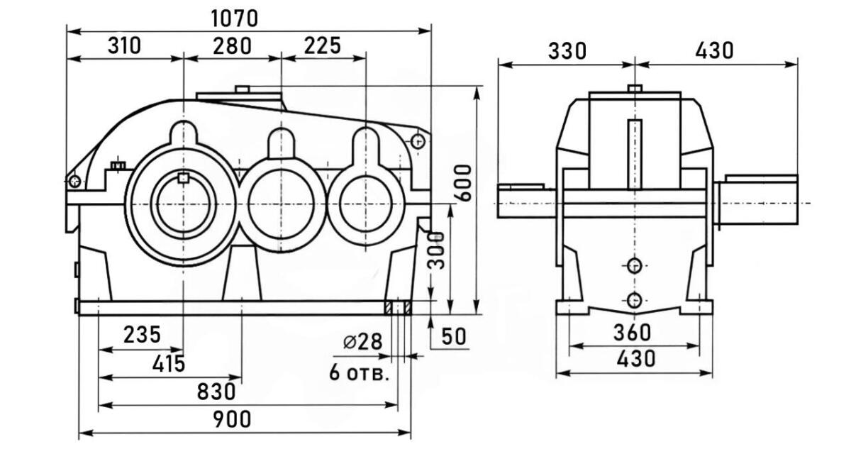
Редуктор 2Ц2-280Н цилиндрический
Цену уточняйте
Цилиндрический двухступенчатый редуктор с зацеплением Новикова. Передаточные отношения 6,3 — 31,5. Номинальный крутящий момент 9 500 — 10 000 Н*м
Цилиндрический двухступенчатый редуктор с зацеплением Новикова 2Ц2-280Н
Передаточные отношения 6,3 — 31,5. Номинальный крутящий момент 9 500 — 10 000 Н*м

Технические характеристики редуктора 2Ц2-280Н
| Типоразмер редуктора | 2Ц2-280Н | ||||||||
| Номинальное передаточное отношение, i | 6,3 | 8,0 | 10,0 | 12,5 | 16,0 | 20,0 | 25,0 | 31,5 | |
| Номинальный крутящий момент на тихоходном валу, Т, Н*м | 9500 | 10000 | |||||||
| Номинальная частота вращения быстроходного вала, с-1 (об/мин) | 25 (1500) | ||||||||
| Номинальная радиальная консольная нагрузка, приложенная в середине посадочной поверхности выходного конца вала, Н
|
быстроходного | 4750 | 4200 | 3900 | 3500 | 3100 | 2800 | 2500 | 2200 |
| тихоходного | 24000 | 25000 | |||||||
| Масса, кг | 760 | ||||||||
| Ориентировочный объем масла, л | 40,1 | ||||||||
Примечание: Редуктор 2Ц2-280Н с передаточными отношениями 20,0; 25,0 и 31,5 с полым тихоходным валом не изготавливается.
Концы валов редуктора 2Ц2-280Н
Размеры цилиндрических валов редуктора 2Ц2-250Н

| Модель | i | d | t | b | l |
| входного вала | |||||
| 2Ц2-280Н | 6,3-25 | 65k6 | 71 | 18 | 105 |
| 31,5 | 50k6 | 54,5 | 14 | 82 | |
| выходного вала | |||||
| 2Ц2-280Н | 140m6 | 152,0 | 36 | 200 | |
Размеры конических концов валов редуктора 2Ц2-280Н

| Модель | d | d1 | l | l1 | b | L | t |
| Входного вала | |||||||
| 2Ц2-280Н | 65m6 | 59,75 | 140 | 105 | 16 | 365 | 63,75 |
| 2Ц2-280Н | 50k6 | 45,9 | 110 | 82 | 12 | 335 | 48,9 |
| Выходного вала | |||||||
| 2Ц2-280Н | 140m6 | 130 | 250 | 200 | 32 | 480 | 137 |
Размеры конца тихоходного вала редуктора 2Ц2-280Н в виде зубчатой полумуфты

| Модель | m | z | D | d | d1 | B | b | k | L |
| 2Ц2-280Н | 10 | 40 | 420 | 160F8 | 200 | 70 | 50 | 40 | 300 |
Тихоходный полый вал редуктора 2Ц2-280Н со шпоночным пазом
| Тип | L | l1 | l2 | l3 | d | d1H7 | bjs9 | t |
| 2Ц2-280Н | 450 | 240 | 70 | 35 | 130 | 125 | 32 | 132,4 |
Конец тихоходного вала редуктора 2Ц2-280Н для подключения автоматики

| Тип | d1 | d2 | d3 | d4 | l |
| 2Ц2-280Н | 140h10 | 75h8 | 55 | М8 | 5 |
Редуктор 2Ц2-280Н — пример обозначения и варианты сборки








