+375 (29) 691-53-65 +375 (17) 307-21-01 +375 (17) 352-26-80 +375 (17) 353-75-54
Редуктор 2Ц2-200Н цилиндрический
Цену уточняйте
Цилиндрический двухступенчатый редуктор с зацеплением Новикова. Передаточные отношения 6,3 — 31,5. Номинальный крутящий момент 3800 — 4500 Н*м
Цилиндрический двухступенчатый редуктор с зацеплением Новикова 2Ц2-200Н
Передаточные отношения 6,3 — 31,5. Номинальный крутящий момент 3800 — 4500 Н*м

| Модель | aw2 | aw3 | L | l0 | l1 | l2 | l3 | A | A1 | B | B1 | H | H1 | d |
| 2Ц2-200Н | 160 | 200 | 780 | 155 | 265 | 250* | 335 | 590 | 270 | 320 | 320 | 440 | 212 | 22 |
Технические характеристики редуктора 2Ц2-200Н
| Типоразмер редуктора | 2Ц2-200Н | ||||||||
| Номинальное передаточное отношение, i | 6,3 | 8,0 | 10,0 | 12,5 | 16,0 | 20,0 | 25,0 | 31,5 | |
| Номинальный крутящий момент на тихоходном валу, Т, Н*м | 4500 | 5000 | 4500 | 3800 | |||||
| Номинальная частота вращения быстроходного вала, с-1 (об/мин) | 25 (1500) | ||||||||
| Номинальная радиальная консольная нагрузка, приложенная в середине посадочной поверхности выходного конца вала, Н
|
быстроходного | 3500 | 3100 | 2800 | 2500 | 2100 | 1000 | 900 | |
| тихоходного | 17700 | 16700 | 15400 | ||||||
| Масса, кг | 305 | ||||||||
| Ориентировочный объем масла, л | 16,5 | ||||||||
Примечание: Редуктор 2Ц2-200Н с передаточным отношением 31,5 с полым шлицевым тихоходным валом не изготавливается.
Концы валов редуктора 2Ц2-200Н
Размеры цилиндрических валов редуктора 2Ц2-200Н

| Модель | i | d | t | b | l |
| входного вала | |||||
| 2Ц2-200Н | 6,3 — 25 | 48k6 | 52,5 | 14 | 82 |
| 31,5 | 36k6 | 39.,5 | 10 | 58 | |
| выходного вала | |||||
| 2Ц2-200Н | 100m6 | 110,0 | 28 | 165 | |
Размеры конических концов валов редуктора 2Ц2-200Н

| Модель | d | d1 | l | l1 | b | L | t |
| Входного вала | |||||||
| 2Ц2-200Н | 48k6 | 43,9 | 110 | 82 | 12 | 278 | 46,9 |
| 36k6 | 33,1 | 80 | 58 | 6 | 252 | 35,6 | |
| Выходного вала | |||||||
| 2Ц2-200Н | 100m6 | 83,5 | 170 | 130 | 22 | 345 | 88,5 |
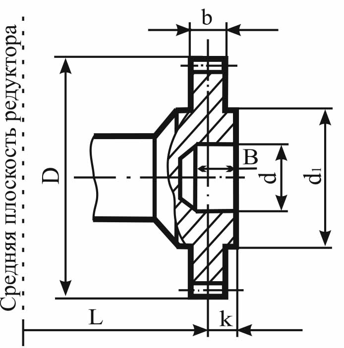
Размеры конца тихоходного вала редуктора 2Ц2-200Н в виде зубчатой полумуфты

| Модель | m | z | D | d | d1 | B | b | k | L |
| 2Ц2-200Н | 6 | 40 | 232 | 110F8 | 130 | 60 | 30 | 25 | 215 |
Тихоходный полый вал редуктора 2Ц2-200Н со шпоночным пазом
| Тип | L | l1 | l2 | l3 | d | d1H7 | bjs9 | t |
| 2Ц2-200Н | 330 | 210 | 40 | 30 | 95 | 90 | 25 | 95,4 |
Тихоходный полый вал редуктора 2Ц2-200Н со шлицами

| Тип | L | l1 | l2 | d | d1 |
| 2Ц2-200Н | 330 | 80 | 16 | 115H10 | b-10x102x112H12x16D9 |
Конец тихоходного вала редуктора 2Ц2-200Н для подключения автоматики

| Тип | d1 | d2 | d3 | d4 | l |
| 2Ц2-200Н | 100h10 | 75h8 | 55 | М8 | 5 |
Редуктор 2Ц2-200Н — пример обозначения и варианты сборки








