+375 (29) 691-53-65 +375 (17) 307-21-01 +375 (17) 352-26-80 +375 (17) 353-75-54
Мотор-редуктор 1МЦЧ-160А цилиндрическо-червячный
Цену уточняйте
Мотор-редуктор цилиндрическо-червячный двухступенчатый. Передаточное число 12,5 — 160. Номинальный крутящий момент 1480 — 2500
Мотор-редуктор цилиндрическо-червячный двухступенчатый 1МЦЧ-160А
Может служить приводом для различного промышленного оборудования, скорость на выходном валу – от 9 до 120 об/мин при подключению к двигателю 1500 об/мин, при подключении к двигателю 1000 об/мин – от 6 до 80 об/мин, к двигателю 750 об/мин – от 4,5 до 60 об/мин. Возможна нагрузка постоянная и переменная, однонаправленная и реверсивная, работа с периодическими остановками и в непрерывном режиме.
Технические характеристики мотор-редуктора 1МЦЧ-160А
| Передаточное число номинальное | 12,5 | 16 | 20 | 25 | 31,5 | 40 | 50 | 63 | 80 | 100 | 125 | 160 | |
| Частота вращения входного вала, об/мин | 1500 | ||||||||||||
| Номинальный крутящий момент на выходном валу, Тном, Н*м | 1480 | 1610 | 1690 | 1760 | 1800 | 1900 | 1980 | 2000 | 2500 | 2360 | 1900 | 1690 | |
| Подводимая расчетная мощность, кВт | 18 | 17,9 | 15,2 | 12,9 | 10,7 | 8,9 | 7,4 | 6,1 | 5,9 | 4,6 | 3,0 | 2,2 | |
| КПД% | 89 | 88 | 87 | 86 | 85 | 84 | 84 | 82 | 81 | 80 | 79 | 77 | |
| Допускаемая радиальная нагрузка, Н | Входной вал | 1500 | |||||||||||
| Выходной вал | 10000 | ||||||||||||
| Корректированный уровень звуковой мощности, дБА | — | ||||||||||||
| Масса, кг, не более | — | ||||||||||||
Технические характеристики даны при Кэ=1
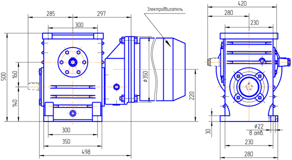
Габаритные и присоединительные размеры
Вариант сборки 52 (51,53,56,61,62,63,66), вариант крепления 1 (2), вариант расположения червячной пары 1

Концы валов мотор-редуктора 1МЦЧ-160А
Вариант исполнения конца тихоходного вала

Ц — обозначения при заказе
Варианты исполнения быстроходного вала
| Вариант сборки 56 | Вариант сборки 56Шп |

Варианты сборки (при расположении червячной тихоходной ступени – червяк над колесом)

Варианты крепления

Варианты расположения червячной пары

Пример записи условного обозначения мотор-редуктора 1МЦЧ-160А

- Порядковый номер разработки конструкции
- Мотор-редуктор цилиндрическо-червячный
- Межосевое расстояние тихоходной ступени, мм
- Передаточное отношение
- Вариант сборки 2-й ступени по ГОСТ 20373
- Вариант крепления редуктора
- Вариант расположения червячной пары
- Вариант исполнения конца быстроходного вала (Ц — цилиндрический по ГОСТ 12080)
- Вариант исполнения конца тихоходного вала (К — конический с внутренней резьбой, К1 — конический с наружной резьбой по ГОСТ 12081, Ц — цилиндрический по ГОСТ 12080)
- Категория точности передачи редуктора
- Климатическое исполнение и категория размещения редуктора по ГОСТ 15150-69



